JBL VRX918S

1руб. | 1 день | 1 смена
Купить

    Подробное описание

    Пассивная акустическая система JBL VRX 918S

    JBL VRX918S - компактный пассивный сабвуфер с 18" динамиком JBL.  Корпус из березовой фанеры с полиуретановым покрытием. Мощность сабвуфера: продолжительная - 800 Вт., программная - 1600 Вт., пиковая - 3200 Вт. Кабинет сабвуфера оборудован крепежной системой для подвеса. Стальные ручки для переноса. Сабвуфер отлично работает в паре с акустическими системами VRX932LA Line Array Speaker.
    Пассивный подвесной сабвуфер JBL VRX918S оборудован НЧ-вуфером с неодимовым магнитом, модель - 2268H, размером 18 дюймов. НЧ-драйвер с использованием запатентованной JBL технологии "Differential Drive". Сабвуфер хорошо проявит себя для усиления НЧ-спектра, при проведении больших концертов, шоу-программ.

    Основные особенности акустической системы JBL VRX918S

    • Создан для использования с акустическими системами VRX932LA Line Array Speaker.
    • Низкочастотная секция с использованием запатентованной технологии Differential Drive
    • Покрытие кабинетов из специализированного материала PlyMax
    • Система креплений для подвеса и интегрированные стальные ручки для транспортировки
    • Система прямого охлаждения Direct Cooled
    • Низкое искажение при высоком ровне звукового давлении (SPL - 130 дБ. мах)
    • Корпус VRX918S изготовлен из березовой фанеры и покрыт специальным защитным покрытием DuraFlex.
    • Встроенный 18” низкочастотный вуфер производства JBL способен работать в частотном диапазоне 31 – 220 Гц и при этом выдавать постоянную мощность звучания на уровне 800 Вт (SPL 130 дБ).
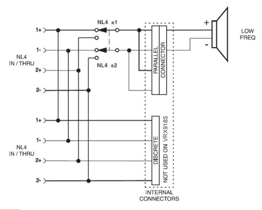
    • Разъемы коммутации -  Neutrik Speakon NL-4  (IN/THRU). При использовании отдельного кроссовера или фильтра низких частот, разъем THRU позволяет передавать отфильтрованный сигнал на высокочастотные акустические системы.
    • Вся лицевая панель корпуса закрыта съемной перфорированной металлической решеткой.
    • Для монтажа соединительной штанги (стойки) для верхнечастотной акустической системы установлен адаптер с резьбовой гайкой М20.

    Технические характеристики:

    Тип системы:

    пассивный сабвуфер

    Частотный диапазон (+/‑3 дБ):

    31 Гц – 220 Гц

    Частотный диапазон (‑10 дБ):

    34 Гц – 220 Гц

    Рекомендуемая частота кроссовера:

    80 Гц, 24 дБ / октава HPF; 80 Гц, 24 дБ / октава LPF

    Номинальная выходная мощность (RMS):

    800 Вт

    Программная выходная мощность (PROGRAM):

    1600 Вт

    Максимальная выходная мощность (пиковая):

    3200 Вт

    Звуковое давление (SPL):

    130 дБ - максимальное

    Чувствительность:

    95 дБ (1Вт/1м)

    НЧ динамик:

    1 x JBL 2268H 457 мм (18") Differential Drive

    Номинальный импеданс:

    8 Ом

    Угол охвата:

    всенаправленный

    Входные коннекторы:

    2 х Neutrik Speakon NL4 (IN/THRU)

    Режимы входного подключения:

    переключаемый +1/-1 или +2/-2

    Корпус:

    прямоугольный, 18 мм, фанера из березы

    Покрытие:

    Black DuraFlex™

    Защитная решетка:

    черная с порошковым покрытием, 16 перфорированная сталь с акустически прозрачным черным экраном

    Установка/транспортировка:

    2 ручки

    Крепление/Подвес:

    Дополнительный комплект рамок линейной решетки VRX-AF или комплект для подвеса М10

    Адаптер для акустической стойки:

    М20

    Габариты (ВхШхГ):

    508x597x749 мм

    Вес:

    37 кг

    Цвет:

    черный